FUTEK QLA328 定制称重传感器 - futek官网
FUTEK QLA328 定制称重传感器
FUTEK QLA328 定制称重传感器

FUTEK QLA328 定制称重传感器

类型:通用型
型号:QLA328
行业:雪鞋测试、电阻点焊、软管膨胀压力测量
产品简介
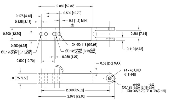
QLA328型是一种定制轭弯梁侧装式称重传感器,设计有2x 0.125“(3.18 mm)通孔,用于安装。该称重传感器设计用于测量弯曲载荷,额定容量为18 lb(80.06 N),安全过载保护为27 lb(120.1 N)。它由17-4PH不锈钢制成,包括全应变计惠斯通电桥上的保形涂层保护。它在60至160°F(15至72°C)时进行热补偿。它提供额定输出±1.0%的非线性。它包括一根2英尺(0.6米)长的#29 AWG 4芯屏蔽电缆。
产品特征
应变计上的保形涂层保护 薄型设计(0.375“或9.53 mm高) 用于弯曲应用 集成输出电缆
产品参数
量程1.1, 2.2, 4.5, 22, 44.5, 111   N
额定输出1 mV/V
激励18
桥路电阻1000 Ohm nom
绝缘电阻≥500 MOhm @ 50 VDC
电缆#28 AWG,4芯编织屏蔽PVC电缆3米长
重量28 g
过载保护150% of RO
材质17-4 PH不锈钢
防护等级IP64
操作温度-42 to +93 ℃
补偿温度15 to +72 ℃
温度漂移零点0.036% of RO/℃


产品原理图

yl-1.gif

产品细节图

xit-qla328.jpg

行业应用图

app701.jpg


futek 传感器 - 动态世界的高级传感器
电话020-85262155
邮箱https://www.yangzhongzx.com