FUTEK PMP410 OEM压力传感器 - futek官网
FUTEK PMP410 OEM压力传感器
FUTEK PMP410 OEM压力传感器
FUTEK PMP410 OEM压力传感器
FUTEK PMP410 OEM压力传感器

FUTEK PMP410 OEM压力传感器

类型:通用型
型号:PMP410
行业:雪鞋测试、电阻点焊、软管膨胀压力测量
产品简介
PMP410压力传感器(OEM)为各种OEM压力测量应用提供了性能和经济性。它们特别适用于受到严重机械冲击、振动和电磁干扰的应用。PMP410采用全焊接不锈钢测量单元,以提高介质兼容性。内部软密封材料不会与介质发生反应或随着时间的推移而变质。 4-20 mA的标准信号输出允许PMP410 OEM压力传感器集成到许多现有应用中。可提供许多自定义信号输出、过程连接和电气连接。每一个都单独进行温度补偿,以确保精度和长期稳定性,即使在暴露于严重的温度变化时也是如此。
产品特征
OEM 1/4 NPT外螺纹 4-20 mA 2线输出 Din连接器 0.5%准确度
产品参数
量程15,25,50,100,300,500,1000,2000,3000,5000,10000   PSI
非线性±0.5% of RO(BFSL);±1% of R.O(End Point)
迟滞性±0.16% of RO
不可重复性±0.1% of RO
额定输出0~10 VDC
激励14~30 VDC
重量80 g
材质不锈钢
操作温度-40 to +80 ℃
补偿温度0 to +80 ℃
温度漂移零点0.036% of RO/℃
温度漂移范围0.036% of Load/℃
响应时间≤4 ms


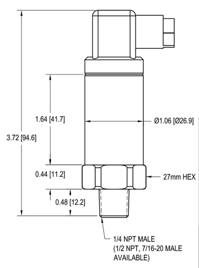
产品原理图

yl-1.gif

产品细节图

xjt-pmp410.jpg

行业应用图

app189.jpg


futek 传感器 - 动态世界的高级传感器
电话020-85262155
邮箱https://www.yangzhongzx.com