FUTEK MBA400 双轴力传感器 - futek官网
首页
传感器产品
力传感器
压力传感器
扭矩传感器
拉力传感器
称重传感器
多轴传感器
传感器定制
OEM传感器
行业应用
医疗与制药
机器人和系统集成商
自动化
汽车
制造业
材料和耐久性测试
航天航空与国防
农业
传感器知识
william威廉中文官网
联系我们
订单采购
首页
传感器产品
行业应用
传感器知识
william威廉中文官网
联系我们
订单采购
首页
>
传感器产品
>
多轴传感器
>
FUTEK MBA400 双轴力传感器
FUTEK MBA400 双轴力传感器
类型:通用型
型号:MBA400
行业:雪鞋测试、电阻点焊、软管膨胀压力测量
在线咨询
订单采购
产品简介
产品特征
产品参数
产品原理图
产品细节图
行业应用图
产品简介
多分量双轴负载臂为测量Fx和Fy负载提供了一个极好的解决方案。MBA400由坚固的17-4不锈钢制成,重量仅为16盎司,设计紧凑。 多分量双轴加载臂具有高精度,非线性为±.1%。MBA400可根据您的要求进行修改或定制。与我们的整个多部件称重传感器产品线类似,该型号在美国制造,使用金属箔应变计技术
产品特征
测量Fx和Fy荷载 适用于自动化系统的高速平面力测量 适用于嵌入式汽车和飞机控制杆力测量
产品参数
量程
222, 890 N
非线性
±0.1% of RO
额定输出
2 mV/V(222 N)
3 mV/V(890 N)
激励
18
桥路电阻
350 Ohm nom
绝缘电阻
≥500 MOhm @ 50 VDC
电缆
4芯LEMO 插座EGG.0B.304.CLL
重量
454 g
过载保护
150% of RO
材质
不锈钢
防护等级
IP50
操作温度
-51 to +93 ℃
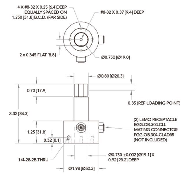
产品原理图
产品细节图
行业应用图
相关产品
FUTEK MTA600 三轴力传感器
品牌:FUTEK 型号:MTA600
FUTEK MTA400 三轴力传感器
品牌:FUTEK 型号:MTA400
FUTEK MTA505 推力和扭矩多轴力传感器
品牌:FUTEK 型号:MTA505
FUTEK MTA500 推力和扭矩多轴力传感器
品牌:FUTEK 型号:MTA500
FUTEK MBA500 扭矩和推力双轴传感器
品牌:FUTEK 型号:MBA500
FUTEK MBA400 双轴力传感器
品牌:FUTEK 型号:MBA400
FUTEK MAU300 手排挡力传感器
品牌:FUTEK 型号:MAU300
futek 传感器 - 动态世界的高级传感器
立即咨询
电话
020-85262155
邮箱
https://www.yangzhongzx.com
首页
传感器产品
力传感器
压力传感器
扭矩传感器
拉力传感器
称重传感器
多轴传感器
传感器定制
OEM传感器
行业应用
医疗与制药
机器人和系统集成商
自动化
汽车
制造业
材料和耐久性测试
航天航空与国防
农业
传感器知识
william威廉中文官网
联系我们
Copyright © 2024版权所有 | 威廉希尔(WilliamHill-中文官方网站)-Official Website |
粤ICP备20029096号