FUTEK MTA500 推力和扭矩多轴力传感器 - futek官网
FUTEK MTA500 推力和扭矩多轴力传感器
FUTEK MTA500 推力和扭矩多轴力传感器
FUTEK MTA500 推力和扭矩多轴力传感器
FUTEK MTA500 推力和扭矩多轴力传感器

FUTEK MTA500 推力和扭矩多轴力传感器

类型:通用型
型号:MTA500
行业:雪鞋测试、电阻点焊、软管膨胀压力测量
产品简介
MTA500多轴称重传感器(三轴)为测量Mx、My和Fz负载提供了一个极好的解决方案。MTA500有阳极氧化铝和不锈钢两种。 MTA500可根据您的需求进行修改或定制,大多数容量都在我们的库存中,可快速交付。与我们的整个多部件称重传感器产品线类似,该型号在美国制造,采用金属箔应变计技术。
产品特征
用于量化试验台未对准 用于风洞模型空气动力学测量 可以通过力臂测量力
产品参数
量程Fz:44482, 111205 N

Mx、My:226, 1129 N
非线性(Mx, My)±0.5% of RO
非线性(Fz)±0.2% of RO
激励18
桥路电阻350 Ohm nom
绝缘电阻≥500 MOhm @ 50 VDC
电缆(3)6针 BENDIX 插座(PT02E-10-6P)
重量9.3 kg
过载保护150% of RO
材质17-4 PH 锈钢
防护等级IP65
操作温度-54 to +93 ℃


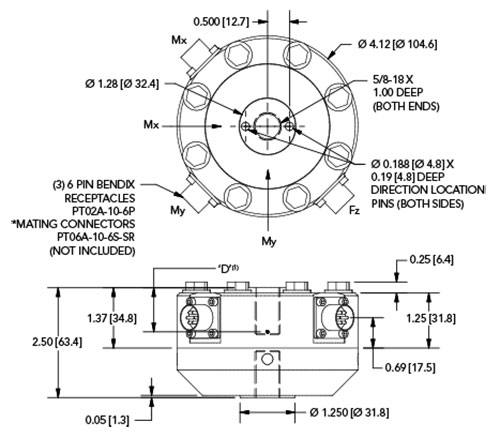
产品原理图

yl-1.gif

产品细节图

xjt-mta500.jpg

行业应用图

app164.jpg


futek 传感器 - 动态世界的高级传感器
电话020-85262155
邮箱https://www.yangzhongzx.com