FUTEK FFP350 平板力传感器 - futek官网
首页
传感器产品
力传感器
压力传感器
扭矩传感器
拉力传感器
称重传感器
多轴传感器
传感器定制
OEM传感器
行业应用
医疗与制药
机器人和系统集成商
自动化
汽车
制造业
材料和耐久性测试
航天航空与国防
农业
传感器知识
william威廉中文官网
联系我们
订单采购
首页
传感器产品
行业应用
传感器知识
william威廉中文官网
联系我们
订单采购
首页
>
传感器产品
>
OEM传感器
>
FUTEK FFP350 平板力传感器
FUTEK FFP350 平板力传感器
类型:通用型
型号:FFP350
行业:雪鞋测试、电阻点焊、软管膨胀压力测量
在线咨询
订单采购
产品简介
产品特征
产品参数
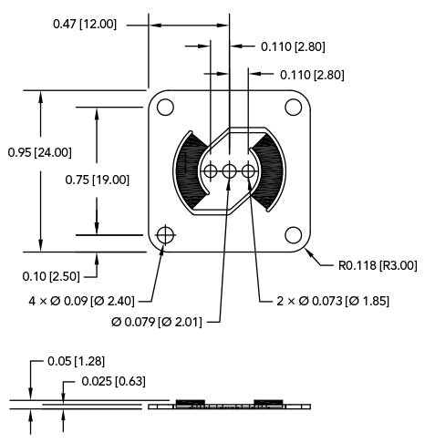
产品原理图
产品细节图
行业应用图
产品简介
FUTEK的FFP350力传感器设计用于测量力、表面压力和位移。这些传感器是高容量应用的经济高效且可靠的OEM解决方案。FFP350力传感器将平衡、补偿和导电元件集成到其应变计中,该应变计层压在300不锈钢挠性件上。FFP350力传感器采用薄型微型设计,在垂直空间有限的应用中也很有用。它的容量为1磅,非常适合用于过程控制、医疗仪器、机器人和汽车应用。FFP350力传感器在美国制造。 FFP350平板力传感器也用于半导体供应链管理系统中,用于称重/跟踪库存管理的零件。
产品特征
专为OEM使用而设计 大体积力测量应用 重量轻:2.8克 低成本力传感器
产品参数
量程
4.5 N
额定输出
1 mV/V
激励
18
桥路电阻
1000 Ohm nom
绝缘电阻
≥500 MOhm @ 50 VDC
电缆
#28 AWG,4芯编织屏蔽PVC电缆3米长
重量
28 g
过载保护
150% of RO
材质
17-4 PH不锈钢
防护等级
IP64
操作温度
-42 to +93 ℃
补偿温度
15 to +72 ℃
温度漂移零点
0.036% of RO/℃
产品原理图
产品细节图
行业应用图
相关产品
FUTEK FFP350 平板力传感器
品牌:FUTEK 型号:FFP350
FUTEK IDC305 带SPI、USB和模拟输出的数字控制器
品牌:FUTEK 型号:IDC305
FUTEK LLB200 应变式力传感器
品牌:FUTEK 型号:LBB200
FUTEK PMP410 OEM压力传感器
品牌:FUTEK 型号:PMP410
FUTEK PMP300 压力传感器
品牌:FUTEK 型号:PMP300
futek 传感器 - 动态世界的高级传感器
立即咨询
电话
020-85262155
邮箱
https://www.yangzhongzx.com
首页
传感器产品
力传感器
压力传感器
扭矩传感器
拉力传感器
称重传感器
多轴传感器
传感器定制
OEM传感器
行业应用
医疗与制药
机器人和系统集成商
自动化
汽车
制造业
材料和耐久性测试
航天航空与国防
农业
传感器知识
william威廉中文官网
联系我们
Copyright © 2024版权所有 | 威廉希尔(WilliamHill-中文官方网站)-Official Website |
粤ICP备20029096号